天津遠東水電站專用三螺桿泵4臺已準備發往四川成都
天津遠東4臺水電站專用三螺桿泵準備發往四川成都清藍,經過我廠多次試驗均達到客戶使用工況要求,此泵輸送介質為透平油,透平油主要用于發電廠蒸氣輪機、水電站水輪發電機及其它需要深度精致潤滑油的潤滑場合,透平油就是汽輪發動機用的一種機油,適合高速機械潤滑用,主要起到潤滑\散熱\冷卻調速的作用。
設備型號:3GC25X4-W2-Y-90S-2-V1流量:2m3/h;壓力:1.0Mpa;轉速:2900r/min:功率:1.5kw;數量2臺;均為侵入式安裝。
設備型號:3GC36X4-W2-Y112M-2-V1流量:6.5m3/h;壓力:1.0Mpa;轉速:2900r/min:功率:4kw;數量2臺;均為侵入式安裝。
交貨期為10天,客戶要求泵和連接架需要噴漆,電機為原廠原色,電機為:VI式樣電機。電機風扇罩有保護型。貨物已發安能物流,請蘭經理注意查收。
3GC系列水電行業專用三螺桿泵是使用在水力發電機組水輪機調速器油源裝置的供油系統和壓油系統上,是在3G三螺桿泵和3GJ三螺桿泵基礎上研發出的新型中高壓三螺桿泵產品,嚴格按照三螺桿泵國家標準GB/T10886-2002設計開發生產制造的三螺桿泵產品。
3GC三螺桿泵應用與流體處理介質:液壓油,潤滑油,汽輪機油,稀油,抗磨液壓油,常用于水電行業,水電站,水輪機組的大型油膜軸承潤滑,冷卻循環。
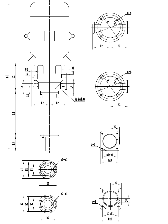
機組圖

感謝客戶選定并認可天津遠東泵業3GC三螺桿泵,我們將繼續為您提供更優質的產品,希望下次繼續與我公司合作。感謝您的支持和配合,我們的免費售后服務熱線:4008-737-966。
同類文章排行
- 三螺桿泵在潤滑脂行業的應用
- NYP高粘度泵如何安裝和調試雙端面機械密封
- 稠油輸送泵RCB-30/0.6齒輪泵
- NYP-110高粘度泵膠水輸送泵高粘度轉子泵
- 導熱油輸送泵SNH80R54E6.7W21三螺桿泵
- 礦物油輸送泵SNH1300R46U12.1W21三螺桿泵
- 柴油泵3GR110X4W21三螺桿泵
- 瀝青輸送泵RCB-4/0.6-Y90L-4齒輪泵
- GCN40-1V-W101單螺桿泵船用背包式螺桿泵
- W6.4Z30M1Z1W73雙螺桿泵船用雙螺桿泵
最新資訊文章
您的瀏覽歷史




